特点:
1 在薄形气缸CQS、CQ2系列上采用了气缓冲结构,长度只增加了+2.5mm~13mm;
2 可吸收约3倍的允许动能(与带垫缓冲的CQS、CQ2相比较);
3 带磁性开关(RDQ系列:RDQ)。
规格:
|
缸径(mm) |
20 | 25 | 32.40 | 50.63 | 80.100 |
|
使用流体 |
空气 |
|
动作方式 |
单杆双左右 |
|
使用压力范围 Mpa |
0.05~1.0 |
|
环境和流体温度 |
无磁性开关:-10~+70℃,带磁性开关:-10~+60℃ |
|
杆端螺纹 |
内螺纹 |
|
行程长度允差 mm |
+1.0 |
|
活塞运动速度 mm/s |
50~500 |
|
安装形式 |
通孔,两端螺孔,脚座型,法兰型,双耳环型 |
|
接管口径 |
M5*0.8 | 1/8 | 1/4 | 3/8 |
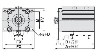
外形尺寸图

|
缸径(mm) |
杆侧法兰型 |
|
行程范围(mm) |
A |
B |
FD |
FT |
FV |
FX |
FZ |
L |
L1 |
M |
|
32 |
20~100 |
54 |
37 |
5.5 |
8 |
48 |
56 |
65 |
17 |
38.5 |
34 |
|
40 |
20~100 |
61 |
44 |
5.5 |
8 |
54 |
62 |
72 |
17 |
38.5 |
40 |
|
50 |
30~100 |
67.5 |
49.5 |
6.6 |
9 |
67 |
76 |
89 |
18 |
43.5 |
50 |